全國服務熱線
400-875-1500
400-875-1500
銷售熱線:13720093566

掃一掃,添加銷售經理
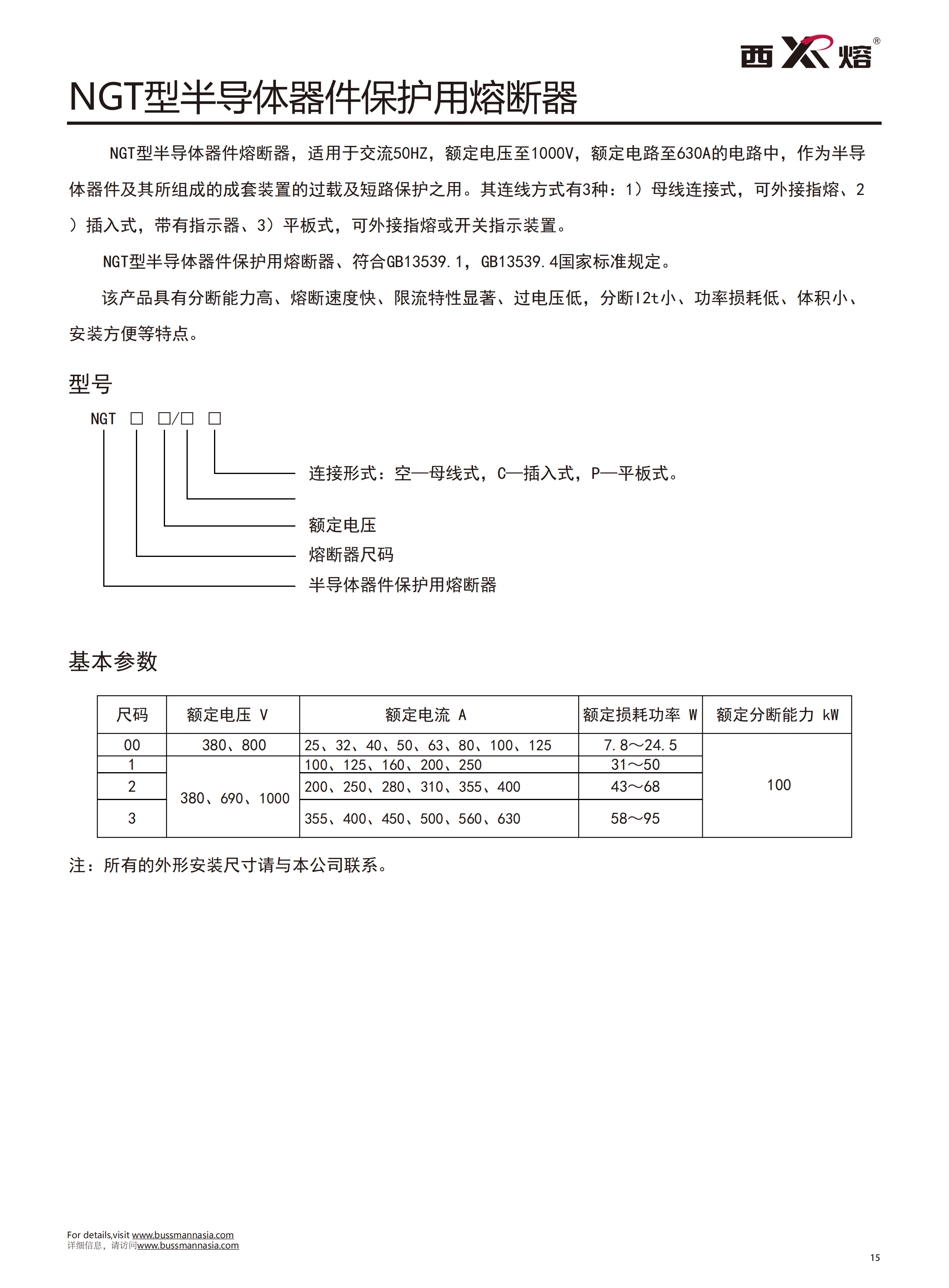
快速熔斷器 NGT 300A
庫存型號:NGT-00 380V/32A; NGT-00 700V/80A; NGT-00 800V/125A-C; NGT-1 700V/250A
額定電壓:380-1000V
額定電流:25-630A
應用領域:半導體器件保護
分享至:
- 產品介紹
- 視頻中心
- 相關證書
- 樣品申請




上一篇:刀型熔斷器NGT 200A 下一篇:快速熔斷器NGT00 32A
相關產品






銷售熱線
















